研究人员开发了一种3D打印气凝胶材料,可以利用阳光将海水转化为饮用水。这种海绵状结构包含微小的垂直通道,能够在不同尺度上实现高效的水分蒸发。该团队的研究成果发表在《美国化学学会能源快报》(ACS Energy Letters)上。

图片来源:ACS Energy Letters
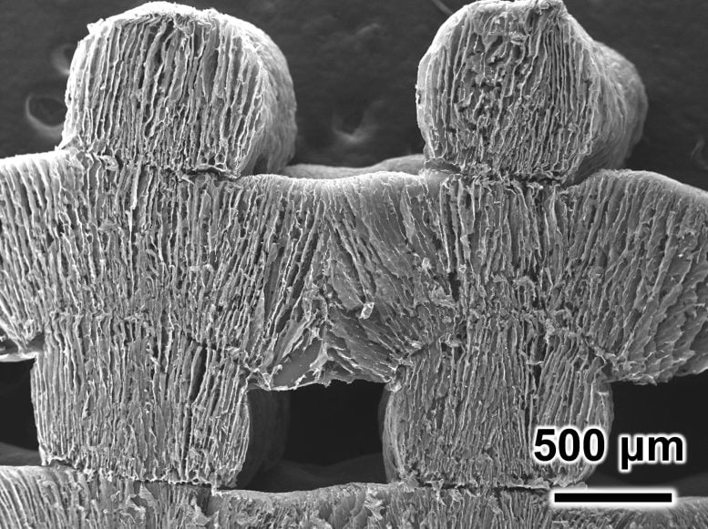
该材料采用含有碳纳米管和纤维素纳米纤维的糊状物制成,并通过3D打印技术将其打印到冷冻表面上。该工艺在整个结构中形成均匀分布的约20微米宽的垂直孔洞。测试表明,较大块状材料的蒸发效率与较小块状材料相同,解决了以往气凝胶设计中常见的结垢问题。
在户外测试中,该系统将气凝胶材料置于海水中,并用透明塑料盖覆盖。阳光加热材料表面,导致水分蒸发,同时留下盐分。蒸汽在塑料盖上凝结,滴落到下方的收集容器中。

一个定制装置利用自然阳光去除海水中的盐分,它使用一个装有海水的烧杯、一块黑色气凝胶和一个弯曲的塑料盖,将盐滴入漏斗和烧杯中。(图片来源:ACS Energy Letters)
该测试装置在自然阳光照射6小时后,可产生约3汤匙的饮用水。“我们的气凝胶可以实现任何规模的全容量海水淡化,”研究员Xi Shen说道,“这为零能耗海水淡化生产清洁水提供了一种简单、可扩展的解决方案。” 该系统无需电力或复杂的基础设施,仅利用太阳能进行海水淡化过程。
来源:scitechdaily.com
【特别声明】本站部分内容来源于互联网,仅供个人用于学习、研究,不得用于商业用途。如有关于文章内容、版权或其它问题请及时联系我们修正或删除(微信:18923725282 / 邮箱:454884888@qq.com)。






























